产品中心
  • NRB5X23.8 G2

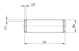
NRB5X23.8 G2

外径:5mm 高度:23.8mm

INA307P102

立即咨询
姓名 *
手机号 *
邮箱地址
输入您的内容 *
验证码 *
  
其它产品
CopyRight  2019-2025   常州市海星体育有限公司    苏ICP备2021040283号-1   网站地图  所有标签  免责声明  常州网络公司中环互联网设计制作